!! Under Construction !!
Ein Local Oscillator für QO-100 Transverter
mit einer ADF4351-PLL und einem 12F509 PIC
| Downloads | |||
|---|---|---|---|
| Deutsch | English | Francais | Description (pdf) |
| Deutsch | English | Francais | Schaltplan / Schema |
| English | Setup file for ADF43x Software ADF4351/1967MHz/Ref10MHz/+5dBm | ||
| English | Setup file for ADF43x Software ADF4351/2514MHz/Ref10MHz/-1dBm | ||
| Deutsch | Basic Programm Listing PIC 12F509 (pdf) | ||
| Deutsch | Basic program file for PROTON COMPILER | ||
| English | Hex File PIC 12F509 | ||
| Deutsch | English | Francais | All files (zip) |
Beschreibung des Projektes:
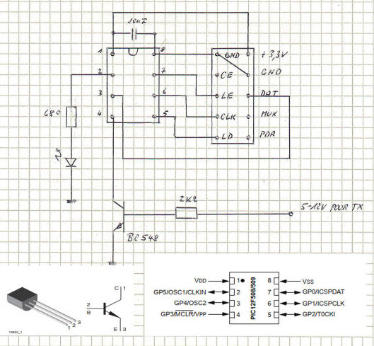
Für den QO-100 Transverter wurde ein Lokaloszillator entworfen auf der Basis einer chinesischen PLL-Platine (ADF4351 evaluation board) wie man sie preiswert in Ebay erhält. Der ADF4351 wird von einem PIC 12F509 angesteuert. Ein 12V-Eingang schaltet die Frequenzen für RX und TX um.
oder

PIC auf Leiste aufgesteckt (links) oder über Flachbandkabel (rechts)
Funktionen:
Für QO-100 Transverter (z.B. F6BVA) müssen jeweils die LO-Frequenzen für den Uplink und den Downlink erzeugt werden unter Berücksichtigung der Zwischenfrequenz, z.B. 433 MHz. Die Umschaltung zwischen RX und TX erfolgt durch eine externe Schaltspannung von ca. 12V die über einen Transitor einen Eingang des PICs steuert.
Der PIC lädt die Register des ADF4351 für die entsprechende Frequenz und wertet das LockDetect Signal LD aus. Der Zustand RX/TX wird über eine LED angezeigt die auch eine Fehlfunktion bei negativem LockDetect durch blinken signalisiert.
Die Versorgung des PIC erfolgt durch die an der Steckleiste vorhandenen 3,3V der PLL-Platine. Die PIC-Platine kann so gebaut werden, dass sie direkt auf die PLL-Platine aufgesteckt wird oder über eine Flachbandleitung angeschlossen werden kann.

Schaltplan/Schema
Berechnung der Registerwerte:
Die Berechnung der Registerwerte wird mit der freien ADF435x-Software durchgeführt die auf einem Windows-PC installiert werden kann.
Zur Berechnung müssen folgende Informationen bekannt
sein:
Referenzfrequenz (z.B. externe 10MHz Referenz)
Zwischenfrequenz des Basisgerätes (z.B. 433 MHz)
LO-Frequenz für RX (z.B. 2415 MHz)
LO-Frequenz für TX (z.B. 1967,5 MHz)
Ausgangsleistung (z.B. +5dBm für TX oder -2dBm für RX)
Viele andere Parameter könnten ggf. mit der Simulationssoftware ADSIM optimiert werden, ich habe die Voreinstellung der ADF4153 Software verwendet und nur die wirklich erforderlichen Werte angepasst.
Für obiges Beispiel kann mein Konfigurationsfile für TX hier und für RX hier heruntergeladen werden.
Hier die Screenshots des Programms:

Konfiguration für 1967MHz und +5dBm Ausgangsleistung

Konfiguration für 2514MHz und -1dBm Ausgangsleistung
Basic Programm:
Das Programm lädt über ein einfaches Interface mit 3 Leitungen die sechs 32 Bit Register des ADF4351 mit den oben ermittelten Registerwerten. Dabei muss die Reihenfolge R5, R4, R3, R2, R1, R0 eingehalten werden. Nach dem Laden wird der Ausgang LD mehrfach abgefragt, ob ein LockDetect erfolgt. Wenn nicht liegt ein Fehler vor und das Programm stoppt in einer Endlosschleife mit blinkender LED.
Ich verwende den PROTON COMPILER, der für dieses kleine Programm keinen USB-Dongle braucht und für die serielle Übertragung der Regsiterwerte sehr komfortabel ist. Das Programmlisting kann man sich hier als PDF herunterladen oder als Datei zur direkten Bearbeitung mit dem Proton Compiler.
PIC programmieren:
Der erzeugte Microcode wird mit einem Programmiergerät in den Speicher des PICs einprogrammiert. Hierzu verwende ich das Programm WinPIC800 und ein Programmierschaltung PIC-01g. Dieses oder andere Programmiergeräte sowie die Bezugsquellen findet man z.B. auf www.seeit.fr
Wer die hier verwendeten Frequenzen verwenden will und am Programm nichts ändern will kann sich auch für die Programmierung des PIC das Hexfile herunterladen.